Forged Fittings
Forged High Pressure Pipe Fittings
Summary :
Type |
|
Size |
NPS 1/8”~4” DN 6~100 |
Rating Pressure |
Threaded End – 2000 / 3000 / 6000 LBS. Socket-weld End – 3000 / 6000 / 9000 LBS. Butt-weld End – SCH40 / SCH80 / SCH160 / XXS. |
Specifications |
ASME B16.11-2009 (Revision of ASME B16.11-2005) MSS – SP – 79, 83, 95, 97 and BS3799.
ASTM A105, A350 LF2, A106, A312, A234, A403
|
Marking |
|
Finishing |
Carbon steel: Galvanized or black. Stainless steel: Pickled. |
ASME B16.11-2009 (Revision of ASME B16.11-2005)

DN |
Nom. Pipe Size |
Center to End Elbow, Tee, Cross A |
Center to End 45° Elbow |
Outside Diameter Of Band |
Minimum Wall Thickness |
Length of Thread Min. (1) |
|||||||||
2000 |
3000 |
6000 |
2000 |
3000 |
6000 |
2000 |
3000 |
6000 |
2000 |
3000 |
6000 |
B |
L2 |
||
6 |
1/8” |
21 |
21 |
25 |
17 |
17 |
19 |
22 |
22 |
25 |
3.18 |
3.18 |
6.35 |
6.4 |
6.7 |
8 |
1/4” |
21 |
25 |
28 |
17 |
19 |
22 |
22 |
25 |
33 |
3.18 |
3.30 |
6.60 |
8.1 |
10.2 |
10 |
3/8” |
25 |
28 |
33 |
19 |
22 |
25 |
25 |
33 |
38 |
3.18 |
3.51 |
6.98 |
9.1 |
10.4 |
15 |
1/2” |
28 |
33 |
38 |
22 |
25 |
28 |
33 |
38 |
46 |
3.18 |
4.09 |
8.15 |
10.9 |
13.6 |
20 |
3/4” |
33 |
38 |
44 |
25 |
28 |
33 |
38 |
46 |
56 |
3.18 |
4.32 |
8.53 |
12.7 |
13.9 |
25 |
1” |
38 |
44 |
51 |
28 |
33 |
35 |
46 |
56 |
62 |
3.68 |
4.98 |
9.93 |
14.7 |
17.3 |
32 |
1-1/4” |
44 |
51 |
60 |
33 |
35 |
43 |
56 |
62 |
75 |
3.89 |
5.28 |
10.59 |
17.0 |
18.0 |
40 |
1-1/2” |
51 |
60 |
64 |
35 |
43 |
44 |
62 |
75 |
84 |
4.01 |
5.56 |
11.07 |
17.8 |
18.4 |
50 |
2” |
60 |
64 |
83 |
43 |
44 |
52 |
75 |
84 |
102 |
4.27 |
7.14 |
12.09 |
19.0 |
19.2 |
65 |
2-1/2” |
76 |
83 |
95 |
52 |
52 |
64 |
92 |
102 |
121 |
5.61 |
7.65 |
15.29 |
23.6 |
28.9 |
80 |
3” |
86 |
95 |
106 |
64 |
64 |
79 |
109 |
121 |
146 |
5.99 |
8.84 |
16.64 |
25.9 |
30.5 |
100 |
4” |
106 |
114 |
114 |
79 |
79 |
79 |
146 |
152 |
152 |
6.55 |
11.18 |
18.67 |
27.7 |
33.0 |
- Dimensions in Millimeters.
- Dimension B is minimum length of perfect thread. The length of useful thread (B plus threads with fully formed roots and flat crests) shall not be less than L2 (effective length of external thread) required by American National Standard for Pipe Threads (ANSI/ASME B1.20.1)
- Dimensions in Millimeters.
- Dimension B is minimum length of perfect thread. The length of useful thread (B plus threads with fully formed roots and flat crests) shall not be less than L2 (effective length of external thread) required by American National Standard for Pipe Threads (ANSI/ASME B1.20.1)
Dimensions in Millimeters.- CAUTIONARY NOTE REGARDING HEX BUSHINGS.
- Dimensions in Millimeters.
- Upper and lower values for each size are the respective maximum and minimum dimensions.
- Dimensions in Millimeters.
- Dimension B is minimum length of perfect thread. The length of useful thread (B plus threads with fully formed roots and flat crests) shall not be less than L2 (effective length of external thread) required by American National Standard for pipe threads (ANSI/ASME B1.20.1)
Dimensions in Millimeters.- Thread in accordance with ASME B1.20.1
- Wall thickness (T Min.) in accordance with ASME B36.10M.
Dimensions in Millimeters.- Wall Thickness:T1 & T2 in accordance with ASME B36.10M
- Dimensions in Millimeters.
- Prior to threading or grooving
Dimensions in Millimeters.- Thickness in accordance with ASME B1.20.1
- Weld bevel in accordance with ASME B16.25
- Weight in accordance with ASME B36.10M Table 1.
- Dimensions in Millimeters.
- Thickness in accordance with ANSI / ASME B1.20.1 1983
- Dimensions may vary according to the customers’ and manufacturer’s requirement.
- Dimensions in Millimeters.
- Dimensions refer to MSS SP-83 Table 5.
- Thickness in accordance with ANSI / ASME B1.20.1 1983
- Dimensions in Millimeters.


Thread in accordance with ASME B1.20.1- 3000LBS outlet size 4 and less fit a number of run pipe sizes and the fitting are marked accordingly.
- Dimensions in Millimeters.
- Thread in accordance with ASME B1.20.1
- Dimensions may vary according to the customer’s and manufacturer’s requirement.
- Dimensions in Millimeters.
- Dimensions refer to ANSI B16.11
- Dimension B is minimum length of perfect thread.
- Dimensions of BSP and PT are available if required.
- Dimensions may vary according to the customer’s and manufacturer’s requirement.
- Dimensions in Millimeters.
- Thread in accordance with ASME B1.20.1
- Dimensions may vary according to the customer’s and manufacturer’s requirement.
- Dimensions in Millimeters.
- Thread in accordance with ASME B1.20.1
- Dimensions in Millimeters.


Dimensions in Millimeters.- At the option of the manufacturer type 2 reducer may be furnished in type 1 configuration.
- Dimensions in Millimeters.
- Dimensions refer to ANSI B16.11
- Dimensions in Millimeters.
- Dimensions refer to ANSI B16.11
- Dimensions may vary according to the customer’s and manufacturer’s requirement.
- Dimensions in Millimeters.
- Dimensions refer to ANSI B16.11
- Dimensions may vary according to the customer’s and manufacturer’s requirement.
ASME B16.11-2009 (Revision of ASME B16.11-2005)

DN |
Nom. Pipe |
Center to End Coupling W |
Center to End Cap P |
Outside Diameter D |
End Wall Thickness G Min. |
Length of Thread Min. (1) |
||||
|
3000 & 6000 |
3000 |
6000 |
3000 |
6000 |
3000 |
6000 |
B |
L2 |
|
6 |
1/8” |
32 |
19 |
|
16 |
|
4.8 |
|
6.4 |
6.7 |
8 |
1/4” |
35 |
25 |
27 |
19 |
25 |
4.8 |
6.4 |
8.1 |
10.2 |
10 |
3/8” |
38 |
25 |
27 |
22 |
32 |
4.8 |
6.4 |
9.1 |
10.4 |
15 |
1/2” |
48 |
32 |
33 |
28 |
38 |
6.4 |
7.9 |
10.9 |
13.6 |
20 |
3/4” |
51 |
37 |
38 |
35 |
44 |
6.4 |
7.9 |
12.7 |
13.9 |
25 |
1” |
60 |
41 |
43 |
44 |
57 |
9.7 |
11.2 |
14.7 |
17.3 |
32 |
1-1/4” |
67 |
44 |
46 |
57 |
64 |
9.7 |
11.2 |
17.0 |
18.0 |
40 |
1-1/2” |
79 |
44 |
48 |
64 |
76 |
11.2 |
12.7 |
17.8 |
18.4 |
50 |
2” |
86 |
48 |
51 |
76 |
92 |
12.7 |
15.7 |
19.0 |
19.2 |
65 |
2-1/2” |
92 |
60 |
64 |
92 |
108 |
15.7 |
19.0 |
23.6 |
28.9 |
80 |
3” |
108 |
65 |
68 |
108 |
127 |
19.0 |
22.4 |
25.9 |
30.5 |
100 |
4” |
121 |
68 |
75 |
140 |
159 |
22.4 |
28.4 |
27.7 |
33.0 |
ASME B16.11-2009 (Revision of ASME B16.11-2005)

DN |
Nom. Pipe Size |
Length (Min.)
A |
Square Head Plug |
Round Head Plug |
Hex. Head Plug & Bushing |
||||
Height of Square (Min.) B |
Width Flat (Min.)
C |
Nominal Diameter of Head (Nom) |
Length (Min.)
D |
Width Flat (Nom.)
F |
Hex. Height (Min.) |
||||
Bushing G |
Plug H |
||||||||
6 |
1/8” |
10 |
6 |
7 |
10 |
35 |
|
|
6 |
8 |
1/4” |
11 |
6 |
10 |
14 |
41 |
16 |
3 |
6 |
10 |
3/8” |
13 |
8 |
11 |
18 |
41 |
18 |
4 |
8 |
15 |
1/2” |
14 |
10 |
14 |
21 |
44 |
22 |
5 |
8 |
20 |
3/4” |
16 |
11 |
16 |
27 |
44 |
27 |
6 |
10 |
25 |
1” |
19 |
13 |
21 |
33 |
51 |
36 |
6 |
10 |
32 |
1-1/4” |
21 |
14 |
24 |
43 |
51 |
46 |
7 |
14 |
40 |
1-1/2” |
21 |
16 |
28 |
48 |
51 |
50 |
8 |
16 |
50 |
2” |
22 |
18 |
32 |
60 |
64 |
65 |
9 |
18 |
65 |
2-1/2” |
27 |
19 |
36 |
73 |
70 |
75 |
10 |
19 |
80 |
3” |
28 |
21 |
41 |
89 |
70 |
90 |
10 |
21 |
100 |
4” |
32 |
25 |
65 |
114 |
76 |
115 |
13 |
25 |
Hex head bushing of one-size reduction should not be used in services where they might be subject to harmful loads and forces other than internal pressure.
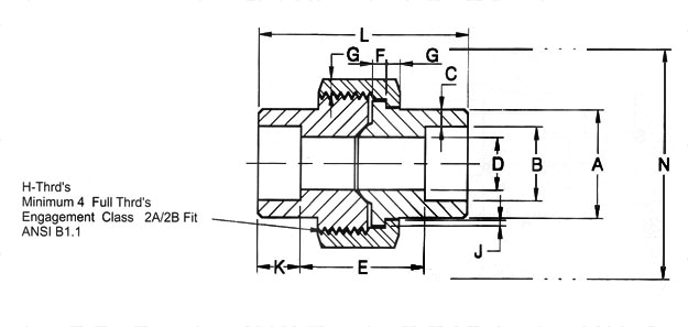
Unions Threaded
Threaded End MSS-SP-83-2006

Nom. Pipe Size |
Pipe End |
Wall |
Water Way Bore |
Male Flange |
Nut |
Threads Per 25.4mm |
Bearing |
Length Assem. Nom. |
Clear Assem. Nut |
Min. A |
Min. C |
D |
Min. F |
Min. G |
Max. H |
Min. J |
L |
N |
|
1/8” |
14.7 |
2.41 |
8.43 |
3.18 |
3.18 |
16 |
1.24 |
41.4 |
50.8 |
1/4” |
19.0 |
3.02 |
11.13 |
3.18 |
3.18 |
16 |
1.24 |
41.4 |
50.8 |
3/8” |
22.9 |
3.20 |
14.27 |
3.43 |
3.43 |
14 |
1.37 |
46.0 |
55.9 |
1/2” |
27.7 |
3.73 |
17.86 |
3.68 |
3.68 |
14 |
1.50 |
49.0 |
58.4 |
3/4” |
33.5 |
3.91 |
23.01 |
4.06 |
4.06 |
11 |
1.68 |
56.9 |
66.0 |
1” |
41.4 |
4.55 |
28.98 |
4.57 |
4.45 |
11 |
1.85 |
62.0 |
78.7 |
1-1/4” |
50.5 |
4.85 |
37.69 |
5.33 |
5.21 |
11 |
2.13 |
71.1 |
94.0 |
1-1/2” |
57.2 |
5.08 |
43.54 |
5.84 |
5.59 |
10 |
2.31 |
76.5 |
111.8 |
2” |
70.1 |
5.54 |
55.58 |
6.60 |
6.35 |
10 |
2.69 |
86.1 |
132.1 |
2-1/2” |
85.3 |
7.01 |
66.27 |
7.49 |
7.11 |
8 |
3.07 |
102.4 |
149.9 |
3” |
102.4 |
7.62 |
88.25 |
8.26 |
8.00 |
8 |
3.53 |
109.0 |
175.3 |
Hex Nipples Threaded
Nominal Size |
A (Min) |
W (Min) |
E (Min) |
b |
C (Min) |
F (Min) |
||
DN |
Inch |
3000 |
6000 |
|||||
6 |
1/8” |
11 |
26 |
10 |
5 |
2 |
6 |
- |
8 |
1/4” |
15 |
36 |
15 |
8 |
6 |
6 |
- |
8 x 6 |
1/4”x1/8” |
15 |
31 |
15 |
5 |
2 |
6 |
10 |
10 |
3/8” |
18 |
40 |
16 |
11 |
8 |
8 |
- |
10 x 8 |
3/8”x1/4” |
18 |
39 |
16 |
8 |
6 |
8 |
15 |
15 |
1/2” |
22 |
48 |
20 |
14 |
11 |
8 |
- |
15 x 10 |
1/2”x3/8” |
22 |
44 |
20 |
11 |
8 |
8 |
16 |
15 x 8 |
1/2”x1/4” |
22 |
43 |
20 |
8 |
6 |
8 |
15 |
20 |
3/4” |
27 |
52 |
21 |
19 |
13 |
10 |
- |
20 x 15 |
3/4”x1/2” |
27 |
50 |
21 |
14 |
11 |
9 |
20 |
20 x 10 |
3/4”x3/8” |
27 |
46 |
21 |
11 |
8 |
9 |
16 |
25 |
1” |
35 |
60 |
25 |
24 |
17 |
10 |
- |
25 x 20 |
1”x3/4” |
35 |
56 |
25 |
19 |
13 |
10 |
21 |
25 x 15 |
1”x1/2” |
35 |
55 |
25 |
14 |
11 |
10 |
20 |
40 |
1-1/2” |
50 |
68 |
26 |
38 |
30 |
16 |
- |
40 x 25 |
1-1/2”x1” |
50 |
67 |
26 |
24 |
17 |
16 |
25 |
40 x 20 |
1-1/2”x3/4” |
50 |
63 |
26 |
19 |
13 |
16 |
21 |
40 x 15 |
1-1/2”x1/2” |
50 |
62 |
26 |
14 |
11 |
16 |
20 |
50 |
2” |
62 |
71 |
27 |
49 |
39 |
17 |
- |
50 x 40 |
2”x1-1/2” |
62 |
70 |
27 |
38 |
30 |
17 |
26 |
50 x 25 |
2”x1” |
62 |
70 |
27 |
24 |
17 |
18 |
25 |
50 x 20 |
2”x3/4” |
62 |
65 |
27 |
19 |
13 |
17 |
21 |
50 x 15 |
2”x1/2” |
62 |
65 |
27 |
14 |
11 |
18 |
20 |
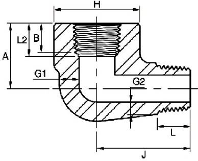
Street Elbows Threaded
Threaded End ASME B16.11-2009 (Revision of ASME B16.11-2005)

DN |
Nom. Pipe Size |
H |
A |
J |
G1 |
G2 (1) |
B (2) |
L2 (2) |
L (Min) |
|||||
3000 |
6000 |
3000 |
6000 |
3000 |
6000 |
3000 |
6000 |
3000 |
6000 |
|||||
6 |
1/8” |
19 |
25 |
19 |
22 |
25 |
32 |
3.18 |
5.08 |
2.74 |
4.22 |
6.4 |
6.7 |
10.0 |
8 |
1/4” |
25 |
32 |
22 |
25 |
32 |
38 |
3.30 |
5.66 |
3.22 |
5.28 |
8.1 |
10.2 |
11.0 |
10 |
3/8” |
32 |
38 |
25 |
28 |
38 |
41 |
3.50 |
6.98 |
3.50 |
5.59 |
9.1 |
10.4 |
13.0 |
15 |
1/2 |
38 |
44 |
28 |
35 |
41 |
48 |
4.09 |
8.15 |
4.16 |
6.53 |
10.9 |
13.6 |
14.0 |
20 |
3/4 |
44 |
51 |
35 |
44 |
48 |
57 |
4.32 |
8.53 |
4.88 |
6.86 |
12.7 |
13.9 |
16.0 |
25 |
1 |
51 |
62 |
44 |
51 |
57 |
66 |
4.98 |
9.93 |
5.56 |
7.95 |
14.7 |
17.3 |
19.0 |
32 |
1-1/4 |
62 |
70 |
51 |
54 |
66 |
71 |
5.28 |
10.59 |
5.56 |
8.48 |
17.0 |
18.0 |
21.0 |
40 |
1-1/2 |
70 |
84 |
54 |
64 |
71 |
84 |
5.56 |
11.07 |
6.25 |
8.89 |
17.8 |
18.4 |
21.0 |
50 |
2 |
84 |
102 |
64 |
83 |
84 |
105 |
7.14 |
12.09 |
7.64 |
9.70 |
19.0 |
19.0 |
22.0 |
Bull Plugs Threaded
MSS-SP-95-2006

Nom. Pipe Size |
|
|
|
T (Min) |
|
|||
D |
B |
B1 |
Sch.40 (STD) |
Sch.80 (XS) |
Sch.160 |
XXS |
H |
|
1/8” |
10.3 |
34 |
9.5 |
1.73 |
2.41 |
|
|
14 |
1/4” |
13.7 |
34 |
11.0 |
2.24 |
3.02 |
|
|
14 |
3/8” |
17.1 |
57 |
12.5 |
2.31 |
3.20 |
|
|
14 |
1/2” |
21.3 |
64 |
14.5 |
2.77 |
3.73 |
4.78 |
7.47 |
14 |
3/4” |
26.7 |
70 |
16.0 |
2.87 |
3.91 |
5.56 |
7.82 |
18 |
1” |
33.4 |
76 |
19.0 |
3.38 |
4.56 |
6.35 |
9.09 |
18 |
1-1/4” |
42.2 |
83 |
20.5 |
3.56 |
4.85 |
6.35 |
9.70 |
18 |
1-1/2” |
48.3 |
89 |
20.5 |
3.68 |
5.05 |
7.14 |
10.15 |
18 |
2” |
60.3 |
102 |
22.0 |
3.91 |
5.54 |
8.74 |
11.07 |
20 |
2-1/2” |
73.0 |
127 |
27.0 |
5.16 |
7.01 |
9.53 |
14.02 |
20 |
3” |
88.9 |
152 |
28.5 |
5.49 |
7.60 |
11.13 |
15.24 |
20 |
4” |
114.3 |
178 |
32.0 |
6.35 |
8.08 |
13.49 |
17.12 |
20 |
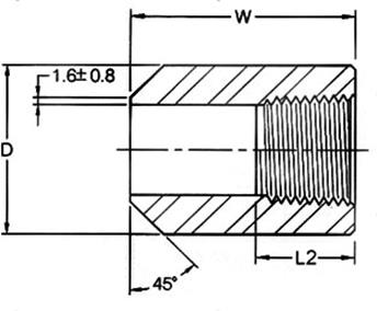
Bosses Threaded
BS3799-1974

DN |
Nom. Pipe Size |
D |
W |
L2 |
|||
3000lb |
6000lb |
3000lb |
6000lb |
3000lb |
6000lb |
||
6 |
1/8” |
16.0 |
22.0 |
38.0 |
6.70 |
||
8 |
1/4” |
19.0 |
26.0 |
41.0 |
10.21 |
||
10 |
3/8” |
22.0 |
32.0 |
45.0 |
10.36 |
||
15 |
1/2” |
29.0 |
38.0 |
51.0 |
13.56 |
||
20 |
3/4” |
35.0 |
45.0 |
51.0 |
13.86 |
||
25 |
1” |
45.0 |
60.0 |
51.0 |
17.34 |
||
40 |
1-1/2” |
64.0 |
76.0 |
51.0 |
18.38 |
||
50 |
2” |
76.0 |
95.0 |
51.0 |
19.22 |
||
65 |
2-1/2” |
95.0 |
|
51.0 |
|
28.89 |
|
80 |
3” |
110.0 |
|
57.0 |
|
30.48 |
|
100 |
4” |
140.0 |
|
64.0 |
|
33.02 |
|


Dimensions in Millimeters.

(Continued)
Nominal Pipe Size (NPS) |
Outside Diameter |
End To End |
Wall Thickness |
||||||||
Large End D1 |
Small End D2 |
T1 |
T2 |
||||||||
Sch40 (STD) |
Sch80 (XS) |
Sch160 |
XXS |
Sch40 (STD) |
Sch80 (XS) |
Sch160 |
XXS |
||||
3-1/2”x1-1/2” |
101.6 |
48.3 |
203 |
5.7 |
8.1 |
|
|
3.7 |
5.1 |
7.1 |
10.2 |
3-1/2”x2” |
101.6 |
60.3 |
203 |
5.7 |
8.1 |
|
|
3.9 |
5.5 |
8.7 |
11.1 |
3-1/2”x2-1/2” |
101.6 |
73.0 |
203 |
5.7 |
8.1 |
|
|
5.2 |
7.0 |
9.5 |
14.0 |
3-1/2”x3” |
101.6 |
88.9 |
203 |
5.7 |
8.1 |
|
|
5.5 |
7.6 |
11.1 |
15.2 |
4”x1/4” |
114.3 |
13.7 |
229 |
6.0 |
8.6 |
13.5 |
17.1 |
2.2 |
3.0 |
|
|
4”x3/8” |
114.3 |
17.1 |
229 |
6.0 |
8.6 |
13.5 |
17.1 |
2.3 |
3.2 |
|
|
4”x1/2” |
114.3 |
21.3 |
229 |
6.0 |
8.6 |
13.5 |
17.1 |
2.8 |
3.7 |
4.8 |
7.5 |
4”x3/4” |
114.3 |
26.7 |
229 |
6.0 |
8.6 |
13.5 |
17.1 |
2.9 |
3.9 |
5.6 |
7.8 |
4”x1” |
114.3 |
33.4 |
229 |
6.0 |
8.6 |
13.5 |
17.1 |
3.4 |
4.5 |
6.4 |
9.1 |
4”x1-1/4” |
114.3 |
42.2 |
229 |
6.0 |
8.6 |
13.5 |
17.1 |
3.6 |
4.9 |
6.4 |
9.7 |
4”x1-1/2” |
114.3 |
48.3 |
229 |
6.0 |
8.6 |
13.5 |
17.1 |
3.7 |
5.1 |
7.1 |
10.2 |
4”x2” |
114.3 |
60.3 |
229 |
6.0 |
8.6 |
13.5 |
17.1 |
3.9 |
5.5 |
8.7 |
11.1 |
4”x2-1/2” |
114.3 |
73.0 |
229 |
6.0 |
8.6 |
13.5 |
17.1 |
5.2 |
7.0 |
9.5 |
14.0 |
4”x3” |
114.3 |
88.9 |
229 |
6.0 |
8.6 |
13.5 |
17.1 |
5.5 |
7.6 |
11.1 |
15.2 |
4”x3-1/2” |
114.3 |
101.6 |
229 |
6.0 |
8.6 |
13.5 |
17.1 |
5.7 |
8.1 |
|
|
PBE:Plain Both Ends |
BBE:Bevel Both Ends |
TBE:Thread Both Ends |
PSE:Plain Small End |
BSE:Bevel Small End |
TSE:Thread Small End |
PLE:Plain Large End |
BLE:Bevel Large End |
TLE:Thread Large End |
Dimensional Tolerance of Swaged Nipple
Nominal Pipe Size (inch) |
Overall Length (mm) |
Outside diameter at end |
Wall Thickness (prior to threading or grooving) |
|
Square Cut Ends (mm) |
Other End Connection (mm) |
|||
1/8” to 3/8” |
± 1.5 |
+ 0.40 |
± 0.80 |
Not less than 87.5% of nominal wall thickness |
- 0.80 |
||||
1/2” to 1-1/2” |
± 1.5 |
+ 0.40 |
+ 1.50 |
|
- 0.80 |
- 0.80 |
|||
2” to 2-1/2” |
± 3.0 |
± 0.80 |
+ 1.50 |
|
- 0.80 |
||||
3” to 4” |
± 3.0 |
± 0.80 |
± 1.50 |
|
Pipe Nipples Threaded
Nom. Pipe Size |
L |
Plain End Weight (kg/m) |
|||||
Close Nipple |
Short Nipple |
Long Nipple |
Sch40/STD |
Sch80/XS |
Sch160 |
XXS |
|
1/8” |
3/4 |
1-1/2 |
2~12 |
0.37 |
0.47 |
|
|
1/4” |
7/8 |
1-1/2 |
2~12 |
0.63 |
0.80 |
|
|
3/8” |
1 |
1-1/2 |
2~12 |
0.84 |
1.10 |
|
|
1/2” |
1-1/8 |
1-1/2 |
2~12 |
1.27 |
1.62 |
1.95 |
2.55 |
3/4” |
1-3/8 |
2 |
2-1/2~12 |
1.69 |
2.20 |
2.90 |
3.64 |
1” |
1-1/2 |
2 |
2-1/2~12 |
2.50 |
3.24 |
4.24 |
5.45 |
1-1/4” |
1-5/8 |
2-1/2 |
3~12 |
3.39 |
4.47 |
5.61 |
7.77 |
1-1/2” |
1-3/4 |
2-1/2 |
3~12 |
4.05 |
5.41 |
7.25 |
9.55 |
2” |
2 |
2-1/2 |
3~12 |
5.44 |
7.48 |
11.11 |
13.44 |
2-1/2” |
2-1/2 |
3 |
3-1/2~12 |
8.63 |
11.41 |
14.92 |
20.39 |
3” |
2-5/8 |
3 |
3-1/2~12 |
11.29 |
15.27 |
21.35 |
27.68 |
3-1/2” |
2-3/4 |
4 |
4-1/2~12 |
13.57 |
18.64 |
|
|
4” |
2-7/8 |
4 |
4-1/2~12 |
16.08 |
22.32 |
33.54 |
41.03 |
5” |
3 |
4-1/2 |
5~12 |
21.77 |
30.97 |
49.12 |
57.43 |
6” |
3-1/8 |
4-1/2 |
5~12 |
28.26 |
42.56 |
67.57 |
79.22 |



Shape of Thread
Adapter Threaded

3000LB
DN |
Nom Pipe Size A |
D |
L |
Threaded Size B |
8 |
1/4” |
19 |
33 |
1/8” |
10 |
3/8” |
22 |
35 |
1/4” |
15 |
1/2” |
28 |
42 |
3/8” |
20 |
3/4” |
35 |
47 |
1/2” |
25 |
1” |
44 |
55 |
3/4” |
32 |
1-1/4” |
57 |
63 |
1” |
40 |
1-1/2” |
64 |
66 |
1-1/4” |
50 |
2” |
76 |
76 |
1-1/2” |
65 |
2-1/2” |
92 |
90 |
2” |
80 |
3” |
108 |
110 |
2-1/2” |
100 |
4” |
140 |
120 |
3” |
Union (Male x Female)

3000LB
Nom Pipe Size |
A (2) |
B |
L |
1/4” |
19.0 |
13.7 |
55.4 |
3/8” |
22.9 |
17.1 |
60.0 |
1/2” |
27.7 |
21.3 |
68.0 |
3/4” |
33.5 |
26.7 |
75.9 |
1” |
41.4 |
33.4 |
86.0 |
1-1/4” |
50.5 |
42.2 |
95.1 |
1-1/2” |
57.2 |
48.3 |
100.5 |
2” |
70.1 |
60.3 |
112.1 |
Dimensions may vary according to the customers’ and manufacturer’s requirement
Branch Outlet Threaded





Dimensional Tolerance of MSS SP-97-2006
Item |
1/8” to 3/4” |
1” to 4” |
Face of fitting to crotch (A) |
± 0.76 |
± 1.52 |
Conventional Run Size Combinations
|
OUTLET SIZE |
|||||||||||
1/4” |
3/8” |
1/2” |
3/4” |
1” |
1-1/4” |
1-1/2” |
2” |
2-1/2” |
3” |
4” |
||
RUN SIZE (Main Pipe) |
Reducing way |
3/8”~3/4” |
1/2” |
3/4” |
1” |
1-1/4” |
1-1/2” |
2” |
2-1/2” |
3” |
3-1/2” |
5” |
1”~36” |
3/4”~1-1/4” |
1” |
1-1/4” |
1-1/2” |
2” |
2-1/2” |
3” |
3-1/2” |
4” |
6” |
||
|
1-1/2”~36” |
1-1/4” |
1-1/2” |
2” |
2-1/2” |
3” |
3-1/2” |
4” |
5” |
8” |
||
|
|
1-1/2”~3” |
2”~3” |
2-1/2” |
3” |
3-1/2” |
4” |
5” |
6” |
10” |
||
|
|
3-1/2”~36” |
3-1/2”~6” |
3” |
3-1/2”~5” |
4”~5” |
5”~6” |
6” |
8” |
12”~14” |
||
|
|
|
8”~36” |
3-1/2”~4” |
6”~8” |
6”~10” |
8”~10” |
8” |
10” |
16”~18” |
||
|
|
|
|
5”~10” |
10” ~ 36” |
12”~36” |
12”~18” |
10”~14” |
12”~16” |
20”~24” |
||
|
|
|
|
12~36” |
|
|
20”~36” |
16”~36” |
18”~36” |
26”~36” |
||
Straight way |
|
|
|
|
|
|
|
|
|
3-1/2” |
5” |
|
3/8”~36” |
1/2”~36” |
3/4”~36” |
1”~36” |
1-1/4”~1-1/2” |
1-1/2” |
2” |
2-1/2” |
3” |
4” |
6” |
||
|
|
|
|
|
|
|
|
|
14”~36” |
18”~36” |
||
Each charted outlet size is designed to fit a number of run pipe size.
90° Elbow Outlet Threaded

3000LB
Outlet Pipe |
A |
C |
F |
|
DN |
Inch |
|||
8 |
1/4” |
40.5 |
35.2 |
22.0 |
10 |
3/8” |
40.5 |
35.2 |
25.9 |
15 |
1/2” |
40.5 |
35.2 |
31.4 |
20 |
3/4” |
47.6 |
43.6 |
37.1 |
25 |
1” |
55.6 |
54.0 |
45.5 |
32 |
1-1/4” |
60.3 |
67.5 |
57.0 |
40 |
1-1/2” |
66.7 |
76.2 |
64.0 |
50 |
2” |
81.0 |
104.8 |
76.0 |
65 |
2-1/2” |
82.6 |
106.4 |
92.0 |
80 |
3” |
96.8 |
125.4 |
109.2 |
100 |
4” |
114.3 |
163.5 |
140.0 |
6000LB
Outlet Pipe |
A |
C |
F |
|
DN |
Inch |
|||
8 |
1/4” |
40.5 |
34.9 |
26.0 |
10 |
3/8” |
40.5 |
34.9 |
33.0 |
15 |
1/2” |
47.6 |
34.9 |
38.0 |
20 |
3/4” |
55.6 |
43.6 |
44.0 |
25 |
1” |
60.3 |
54.0 |
57.0 |
32 |
1-1/4” |
66.7 |
67.5 |
64.0 |
40 |
1-1/2” |
85.7 |
76.2 |
76.0 |
45° Lateral Tee Threaded

DN |
Nom. Pipe Size |
Length of Thread (Min) |
A |
E |
G (2) |
H (2) |
|
B (3) |
L2 (3) |
||||||
15 |
1/2” |
10.9 |
13.6 |
46 |
20 |
3.18 |
33 |
20 |
3/4” |
12.7 |
13.9 |
55 |
23 |
3.18 |
38 |
25 |
1” |
14.7 |
17.3 |
65 |
26 |
3.68 |
46 |
32 |
1-1/4” |
17.0 |
18.0 |
73 |
31 |
3.89 |
56 |
40 |
1-1/2” |
17.8 |
18.4 |
82 |
35 |
4.01 |
62 |
50 |
2” |
19.0 |
19.2 |
113 |
42 |
4.27 |
75 |
65 |
2-1/2” |
23.6 |
28.9 |
136 |
56 |
5.61 |
92 |
3000LB
DN |
Nom. Pipe Size |
Length of Thread (Min) |
A |
E |
G (2) |
H (2) |
|
B (3) |
L2 (3) |
||||||
15 |
1/2” |
10.9 |
13.6 |
55 |
23 |
4.09 |
38 |
20 |
3/4” |
12.7 |
13.9 |
65 |
26 |
4.32 |
46 |
25 |
1” |
14.7 |
17.3 |
73 |
31 |
4.98 |
56 |
32 |
1-1/4” |
17.0 |
18.0 |
82 |
35 |
5.28 |
62 |
40 |
1-1/2” |
17.8 |
18.4 |
113 |
42 |
5.56 |
75 |
50 |
2” |
19.0 |
19.2 |
136 |
56 |
7.14 |
84 |
The length of useful thread (B plus threads with fully formed roots and flat crests) shall not be less than L2 (effective length of external thread) required by American National Standard for pipe threads (ANSI/ASME B1.20.1)
Lateral Outlet Threaded

Outlet Pipe |
A |
C |
F |
|
DN |
Inch |
|||
8 |
1/4” |
40.5 |
35.2 |
22.0 |
10 |
3/8” |
40.5 |
35.2 |
25.9 |
15 |
1/2” |
40.5 |
35.2 |
31.4 |
20 |
3/4” |
47.6 |
43.6 |
37.1 |
25 |
1” |
55.6 |
54.0 |
45.5 |
32 |
1-1/4” |
60.3 |
67.5 |
57.0 |
40 |
1-1/2” |
66.7 |
76.2 |
64.0 |
50 |
2” |
81.0 |
104.8 |
76.0 |
65 |
2-1/2” |
82.6 |
106.4 |
92.0 |
80 |
3” |
96.8 |
125.4 |
109.2 |
100 |
4” |
114.3 |
163.5 |
140.0 |
6000LB
Outlet Pipe |
A |
C |
F |
|
DN |
Inch |
|||
8 |
1/4” |
40.5 |
34.9 |
26.0 |
10 |
3/8” |
40.5 |
34.9 |
33.0 |
15 |
1/2” |
47.6 |
34.9 |
38.0 |
20 |
3/4” |
55.6 |
43.6 |
44.0 |
25 |
1” |
60.3 |
54.0 |
57.0 |
32 |
1-1/4” |
66.7 |
67.5 |
64.0 |
40 |
1-1/2” |
85.7 |
76.2 |
76.0 |
Nipple Branch Outlet Threaded

Outlet Pipe |
C |
F |
|
3000LB |
6000LB |
||
1/2” |
23.8 |
13.8 |
21.3 |
3/4” |
30.2 |
18.9 |
26.7 |
1” |
36.5 |
24.3 |
33.4 |
1-1/4” |
44.5 |
32.5 |
42.2 |
1-1/2” |
50.8 |
38.1 |
48.3 |
2” |
65.1 |
49.2 |
60.3 |
Dimensions may vary according to the customer’s and manufacturer’s requirement
Unions Socket Weld
Socket Weld End MSS-SP-83-2006
Nom. Pipe Size |
Pipe End
(Min.) A |
Socket Bore Dia.
B |
Socket Wall
(Min.) C |
Water Way Bore D |
Laying Length
E |
Male Flange
(Min.) F |
Nut
(Min.) G |
Thread s Per 25.4mm
H |
Bearing
(Min.) J |
Depth of Socket (Min.) K |
Length Assem
L |
Clear Assem. Nut
N |
1/8” |
21.8 |
11.18 |
3.18 |
7.59 |
22.4 |
3.18 |
3.18 |
16 |
1.24 |
9.7 |
41.4 |
50.8 |
1/4” |
21.8 |
14.61 |
3.30 |
10.01 |
22.4 |
3.18 |
3.18 |
16 |
1.24 |
9.7 |
41.4 |
50.8 |
3/8” |
25.9 |
18.03 |
3.51 |
13.28 |
26.9 |
3.43 |
3.43 |
14 |
1.37 |
9.7 |
46.0 |
55.9 |
1/2” |
31.2 |
22.23 |
4.09 |
16.56 |
26.9 |
3.68 |
3.68 |
14 |
1.50 |
9.7 |
49.0 |
58.4 |
3/4” |
37.1 |
27.56 |
4.27 |
21.69 |
31.8 |
4.06 |
4.06 |
11 |
1.68 |
12.7 |
56.9 |
66.0 |
1” |
45.5 |
34.29 |
4.98 |
27.41 |
34.3 |
4.57 |
4.45 |
11 |
1.85 |
12.7 |
62.0 |
78.7 |
1-1/4” |
54.9 |
43.05 |
5.28 |
35.81 |
40.6 |
5.33 |
5.21 |
11 |
2.13 |
12.7 |
71.1 |
94.0 |
1-1/2” |
61.5 |
49.15 |
5.54 |
41.66 |
42.2 |
5.84 |
5.59 |
10 |
2.31 |
12.7 |
76.5 |
111.8 |
2” |
75.2 |
61.62 |
6.05 |
53.26 |
45.5 |
6.60 |
6.35 |
10 |
2.69 |
15.7 |
86.1 |
132.1 |
2-1/2” |
91.7 |
74.45 |
7.67 |
64.24 |
61.7 |
7.49 |
7.11 |
8 |
3.07 |
15.7 |
102.4 |
149.9 |
3” |
109.2 |
90.42 |
8.31 |
79.45 |
63.8 |
8.26 |
8.00 |
8 |
3.53 |
15.7 |
109.0 |
175.3 |
Upper and lower values for each size are the respective maximum and minimum dimensions
Socket Welding MSS-SP-79-2009

Nom. Pipe Size |
Type |
Socket |
Shank Dia. SD |
Laying Length A |
Bore D |
Wall Min. C |
Length |
||||||||
Dia. B |
Depth Min. K |
SL |
RL (Min) |
||||||||||||
3000 |
6000 |
||||||||||||||
3000 |
6000 |
3000 |
6000 |
3000 |
6000 |
3000 |
6000 |
3000 |
6000 |
||||||
3”x2-1/2” |
1 |
1 |
74.07 |
16 |
88.90 |
38 |
57 |
62.5 |
54.0 |
8.76 |
|
32 |
45 |
|
|
3”x2” |
2 |
2 |
61.37 |
16 |
88.90 |
25 |
32 |
52.5 |
43.0 |
6.93 |
|
|
|
48 |
54 |
3”x1-1/2” |
2 |
2 |
48.90 |
13 |
88.90 |
29 |
32 |
41.0 |
34.0 |
6.35 |
|
|
|
48 |
54 |
3”x1-1/4” |
2 |
2 |
42.80 |
13 |
88.90 |
30 |
32 |
35.0 |
29.5 |
6.07 |
|
|
|
48 |
54 |
3”x1” |
2 |
2 |
34.04 |
13 |
88.90 |
32 |
32 |
26.5 |
21.0 |
5.69 |
|
|
|
48 |
54 |
4”x3” |
2 |
|
90.04 |
16 |
114.30 |
33 |
|
78.0 |
|
9.50 |
|
|
|
60 |
|
4”x2-1/2” |
2 |
|
74.07 |
16 |
114.30 |
38 |
|
62.5 |
|
8.76 |
|
|
|
60 |
|
4”x2” |
2 |
|
61.37 |
16 |
114.30 |
38 |
|
52.5 |
|
6.93 |
|
|
|
60 |
|
4”x1-1/2” |
2 |
|
48.90 |
13 |
114.30 |
42 |
|
41.0 |
|
6.35 |
|
|
|
60 |
|
4”x1-1/4” |
2 |
|
42.80 |
13 |
114.30 |
43 |
|
35.0 |
|
6.07 |
|
|
|
60 |
|
Dimensional Tolerance of Reducer Insert
Laying Length A |
Size Size |
3/8” |
through through |
3/4” |
+ |
1.50mm / -0.00mm |
Socket Diameter B |
Size |
1/4” |
through |
2” |
± |
0.25mm |
Bore D |
Size |
1/4” |
through |
2” |
± |
0.80mm |
Shank Diameter SD |
Size |
3/8” |
through through |
1-1/2” |
± |
0.25mm |
Shank Length SL |
Size |
3/8” |
through |
3/4” |
± |
0.00mm / -1.50mm |
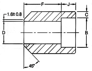
Bosses Socket Weld
BS3799-1974

DN |
Nom. Pipe Size |
B |
D |
J |
F |
C |
||||
3000lb |
6000lb |
3000lb |
6000lb |
3000lb |
6000lb |
3000lb |
6000lb |
|||
6 |
1/8” |
10.7 |
6.8 |
|
10.0 |
|
28.0 |
|
3.2 |
|
8 |
1/4” |
14.1 |
9.2 |
|
10.0 |
|
32.0 |
|
3.3 |
|
10 |
3/8” |
17.6 |
12.5 |
|
11.0 |
|
34.0 |
|
3.5 |
|
15 |
1/2” |
21.8 |
15.5 |
11.8 |
13.0 |
13.0 |
38.0 |
38.0 |
4.1 |
5.2 |
20 |
3/4” |
27.4 |
21.0 |
15.5 |
13.0 |
13.0 |
38.0 |
38.0 |
4.3 |
6.1 |
25 |
1” |
34.1 |
26.6 |
20.7 |
16.0 |
16.0 |
35.0 |
35.0 |
5.0 |
7.0 |
40 |
1-1/2” |
49.0 |
40.5 |
34.0 |
19.0 |
19.0 |
32.0 |
32.0 |
5.6 |
7.8 |
50 |
2” |
61.0 |
52.0 |
43.0 |
22.0 |
22.0 |
29.0 |
29.0 |
6.1 |
9.5 |
65 |
2-1/2” |
73.8 |
62.0 |
54.0 |
22.0 |
22.0 |
29.0 |
29.0 |
7.7 |
10.4 |
80 |
3” |
89.7 |
78.0 |
66.0 |
22.0 |
22.0 |
29.0 |
29.0 |
8.3 |
12.2 |


Dimensions in Millimeters.
90° Elbow Outlet Socket Weld

3000LB
Outlet Pipe |
A |
C |
F |
D |
J |
|
DN |
Inch |
|||||
8 |
1/4” |
40.5 |
35.2 |
22.0 |
14.35 |
10.0 |
10 |
3/8” |
40.5 |
35.2 |
25.9 |
17.80 |
10.0 |
15 |
1/2” |
40.5 |
35.2 |
31.4 |
21.95 |
11.1 |
20 |
3/4” |
47.6 |
43.6 |
37.1 |
27.30 |
12.7 |
25 |
1” |
55.6 |
54.0 |
45.5 |
34.05 |
13.5 |
32 |
1-1/4” |
60.3 |
67.5 |
57.0 |
42.80 |
15.1 |
40 |
1-1/2” |
66.7 |
76.2 |
64.0 |
48.90 |
15.9 |
50 |
2” |
81.0 |
104.8 |
76.0 |
61.35 |
17.5 |
65 |
2-1/2” |
82.6 |
106.4 |
92.0 |
74.15 |
23.8 |
80 |
3” |
96.8 |
125.4 |
109.2 |
90.10 |
28.6 |
100 |
4” |
114.3 |
163.5 |
140.0 |
115.75 |
29.4 |
6000LB
Outlet Pipe |
A |
C |
F |
D |
J |
|
DN |
Inch |
|||||
8 |
1/4” |
40.5 |
34.9 |
26.0 |
14.35 |
10.0 |
10 |
3/8” |
40.5 |
34.9 |
33.0 |
17.80 |
10.0 |
15 |
1/2” |
47.6 |
34.9 |
38.0 |
21.95 |
10.0 |
20 |
3/4” |
55.6 |
43.6 |
44.0 |
27.30 |
14.3 |
25 |
1” |
60.3 |
54.0 |
57.0 |
34.05 |
15.9 |
32 |
1-1/4” |
66.7 |
67.5 |
64.0 |
42.80 |
20.6 |
40 |
1-1/2” |
85.7 |
76.2 |
76.0 |
48.90 |
20.6 |
Dimensions may vary according to the customer’s and manufacturer’s requirement
45° Lateral Tee Socket Weld

3000LB
DN |
Nom. Pipe Size |
B (2) |
B (2) |
D (1) |
A |
E |
G (2) |
J (2) |
|
(Avg) |
(Min) |
||||||||
15 |
1/2” |
21.8 |
4.67 |
4.09 |
15.8 |
35 |
9 |
3.75 |
9.5 |
20 |
3/4” |
27.2 |
4.90 |
4.27 |
21.0 |
41 |
9 |
3.95 |
12.5 |
25 |
1” |
33.9 |
5.69 |
4.98 |
26.7 |
51 |
12 |
4.55 |
12.5 |
32 |
1-1/4” |
42.7 |
6.07 |
5.28 |
35.1 |
59 |
17 |
4.85 |
12.5 |
40 |
1-1/2” |
48.8 |
6.35 |
5.54 |
40.9 |
68 |
21 |
5.10 |
12.5 |
50 |
2” |
61.2 |
6.93 |
6.04 |
52.5 |
95 |
24 |
5.55 |
16.0 |
65 |
2-1/2” |
73.9 |
8.76 |
7.67 |
62.7 |
118 |
38 |
7.05 |
16.0 |
6000LB
DN |
Nom. Pipe Size |
B (2) |
B (2) |
D (2) |
A |
E |
G (2) |
J (2) |
|
(Avg) |
(Min) |
||||||||
15 |
1/2” |
21.8 |
5.97 |
5.18 |
11.8 |
41 |
9 |
4.78 |
9.5 |
20 |
3/4” |
27.2 |
6.96 |
6.04 |
15.6 |
51 |
12 |
5.56 |
12.5 |
25 |
1” |
33.9 |
7.92 |
6.93 |
20.7 |
59 |
17 |
6.35 |
12.5 |
32 |
1-1/4” |
42.7 |
7.92 |
6.93 |
29.5 |
68 |
21 |
6.35 |
12.5 |
40 |
1-1/2” |
48.8 |
8.92 |
7.80 |
34.0 |
95 |
24 |
7.14 |
12.5 |
50 |
2” |
61.2 |
10.92 |
9.50 |
42.9 |
106 |
31 |
8.74 |
16.0 |
Lateral Outlet Socket Weld

3000LB
Outlet Pipe |
A |
C |
F |
D |
J |
|
DN |
Inch |
|||||
8 |
1/4” |
40.5 |
35.2 |
22.0 |
14.35 |
10.0 |
10 |
3/8” |
40.5 |
35.2 |
25.9 |
17.80 |
10.0 |
15 |
1/2” |
40.5 |
35.2 |
31.4 |
21.95 |
11.1 |
20 |
3/4” |
47.6 |
43.6 |
37.1 |
27.30 |
12.7 |
25 |
1” |
55.6 |
54.0 |
45.5 |
34.05 |
13.5 |
32 |
1-1/4” |
60.3 |
67.5 |
57.0 |
42.80 |
15.1 |
40 |
1-1/2” |
66.7 |
76.2 |
64.0 |
48.90 |
15.9 |
50 |
2” |
81.0 |
104.8 |
76.0 |
61.35 |
17.5 |
65 |
2-1/2” |
82.6 |
106.4 |
92.0 |
74.15 |
23.8 |
80 |
3” |
96.8 |
125.4 |
109.2 |
90.10 |
28.6 |
100 |
4” |
114.3 |
163.5 |
140.0 |
115.75 |
29.4 |
6000LB
Outlet Pipe |
A |
C |
F |
D |
J |
|
DN |
Inch |
|||||
8 |
1/4” |
40.5 |
34.9 |
26.0 |
14.35 |
10.0 |
10 |
3/8” |
40.5 |
34.9 |
33.0 |
17.80 |
10.0 |
15 |
1/2” |
47.6 |
34.9 |
38.0 |
21.95 |
10.0 |
20 |
3/4” |
55.6 |
43.6 |
44.0 |
27.30 |
14.3 |
25 |
1” |
60.3 |
54.0 |
57.0 |
34.05 |
15.9 |
32 |
1-1/4” |
66.7 |
67.5 |
64.0 |
42.80 |
20.6 |
40 |
1-1/2” |
85.7 |
76.2 |
76.0 |
48.90 |
20.6 |